ebm-papst R3G500-FA28-03
R3G500-FA28-03 Ebm Papst EC Centrifugal Fan User Manual
Model: R3G500-FA28-03
1. Inngangur
This manual provides essential information for the safe and efficient operation, installation, and maintenance of the Ebm Papst R3G500-FA28-03 EC Centrifugal Fan. Please read this manual thoroughly before installation and operation to ensure proper use and to prevent damage or injury. Keep this manual for future reference.
2. Öryggisupplýsingar
Fylgið alltaf eftirfarandi öryggisráðstöfunum til að draga úr hættu á raflosti, meiðslum eða eldsvoða:
- Ensure that all electrical connections are made by a qualified electrician and comply with local and national electrical codes.
- Disconnect power to the fan before performing any installation, maintenance, or troubleshooting.
- Do not operate the fan with damaged wiring or if the fan itself is damaged.
- Haldið höndum, hári og lausum fötum frá hreyfanlegum hlutum meðan á notkun stendur.
- Tryggið góða loftræstingu í kringum viftuna til að koma í veg fyrir ofhitnun.
- The fan is designed for specific voltage and frequency. Verify compatibility before connection.
- Notið viðeigandi persónuhlífar (PPE) við uppsetningu og viðhald.
3. Vöru lokiðview
The Ebm Papst R3G500-FA28-03 is an EC Centrifugal Fan designed for ventilation and heat dissipation applications. It features a robust design with a die-cast aluminum electronics housing and a PP plastic impeller, offering a high degree of protection (IP55).
Helstu eiginleikar eru:
- Gerð: R3G500-FA28-03
- Vörumerki: Ebm Papst
- Tegund: EC Centrifugal Fan
- Mótor: M3G150-FF
- Nafnbinditage: 400VAC (380/480VAC range)
- Orkunotkun: 2850W
- Núverandi jafntefli: 4.4A
- Verndargráða: IP55

Mynd 3.1: Framan view of the R3G500-FA28-03 EC Centrifugal Fan, showing the impeller and housing.

Mynd 3.2: Aftan view of the fan, highlighting the motor assembly and mounting features.

Mynd 3.3: Hliðarprofile viftunnar, sem sýnir fram á netta hönnun hennar.
4. Uppsetning og uppsetning
Proper installation is crucial for the fan's performance and longevity. Refer to the technical drawing for precise dimensions and mounting points.
4.1 Athuganir fyrir uppsetningu
- Unpack the fan carefully and inspect for any shipping damage.
- Verify that the power supply (400VAC, 50/60Hz) matches the fan's requirements.
- Ensure the mounting surface is stable and capable of supporting the fan's weight.
- Confirm adequate clearance for airflow and maintenance access.
4.2 Uppsetning
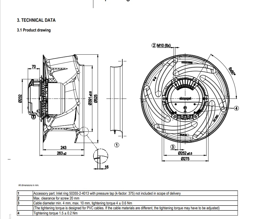
The fan should be securely mounted using appropriate fasteners. Refer to Figure 4.1 for detailed dimensions and mounting hole locations.

Figure 4.1: Technical drawing showing fan dimensions and mounting details. Note the M10 (6x) mounting points.
4.3 Rafmagnstenging
Connect the fan to the power supply using a 4-Pin power connector. Ensure correct polarity and secure connections. The nominal voltage is 400VAC, with a range of 380/480VAC. The fan draws 4.4A at 2850W power consumption.
- Always disconnect power before making electrical connections.
- Use appropriately sized wiring for the fan's current draw.
- Gakktu úr skugga um að allar tengingar séu einangraðar og verndaðar gegn umhverfisþáttum.
5. Notkunarleiðbeiningar
Once installed and connected, the fan is ready for operation. The fan operates at a speed of 1900 RPM. The direction of rotation is clockwise when viewed toward the rotor.
Refer to the nominal data and technical data tables below for detailed operating parameters.

Figure 5.1: Operating instructions with nominal data and technical specifications.
5.1 Ambient Temperature Considerations
The fan is designed for a minimum ambient temperature of -40°C and a maximum of +40°C. Occasional start-up at temperatures between -40°C and -25°C is permitted. For continuous operation at ambient temperatures below -25°C (such as refrigeration applications), a fan design with special low-temperature bearings must be used.
6. Viðhald
Regular maintenance ensures optimal performance and extends the lifespan of your Ebm Papst fan.
6.1 Þrif
- Periodically inspect the impeller and housing for dust, dirt, or debris accumulation.
- Taktu úr sambandi áður en þú þrífur.
- Use a soft brush or compressed air to remove dust. For stubborn dirt, a damp cloth with mild detergent can be used, ensuring no moisture enters electrical components.
- Ensure the fan is completely dry before reconnecting power.
6.2 Skoðun
- Check for any signs of wear or damage to the impeller blades or housing.
- Skoðið rafmagnsleiðslur til að athuga hvort þær séu sprungnar, slitnar eða lausar tengingar.
- Listen for unusual noises during operation, which may indicate bearing issues or imbalance.
The motor uses ball bearings, which are typically sealed and require no lubrication. If unusual noises persist, professional inspection may be required.
7. Bilanagreining
Þessi hluti býður upp á lausnir á algengum vandamálum sem þú gætir lent í.
| Vandamál | Möguleg orsök | Lausn |
|---|---|---|
| Vifta fer ekki í gang | Engin aflgjafi; Röng raflögn; Bilun í mótor | Check power connection and circuit breaker; Verify wiring against diagram; Contact support if motor fault is suspected. |
| Fan runs but with reduced airflow | Blocked intake/exhaust; Dirty impeller blades | Clear any obstructions; Clean impeller blades as per maintenance section. |
| Mikill hávaði eða titringur | Loose mounting; Damaged impeller; Bearing wear | Tighten mounting bolts; Inspect impeller for damage; Contact support for bearing issues. |
| Ofhitnun | Insufficient ventilation; Overload; High ambient temperature | Ensure adequate airflow around the fan; Verify load is within specifications; Check ambient temperature. |
8. Tæknilýsing
Detailed technical specifications for the R3G500-FA28-03 EC Centrifugal Fan.
| Parameter | Gildi |
|---|---|
| Fyrirmynd | R3G500-FA28-03 |
| Vörumerki | Ebm Papst |
| Tegund | EC Centrifugal Fan |
| Mótor | M3G150-FF |
| Nafnbinditage | 400VAC |
| Nafnbinditage Svið | 380/480VAC |
| Tíðni | 50/60Hz |
| Hraði | 1900 snúninga á mínútu |
| Orkunotkun | 2850W |
| Núverandi jafntefli | 4.4A |
| Min. Umhverfishiti | -40°C |
| Hámark Umhverfishiti | +40°C |
| Electronics Housing Material | Steypt ál |
| Efni hjóla | PP plast |
| Verndargráða | IP55 |
| Einangrunarflokkur | B |
| Mótor legur | Kúlulegur |
| Afl tengitegund | 4-pinna |
| Kæliaðferð | Loft |
| Samhæf tæki | Desktop, Gaming Console, Graphic Cards, Receiver |
| UPC | 758328520433 |
9. Ábyrgð og stuðningur
All units supplied are fully tested to ensure quality and performance. While specific warranty details are not provided in this manual, for any inquiries regarding product specifications, troubleshooting, or support, please contact your supplier or the manufacturer, Ebm Papst. The supplier, Captain Fan, specializes in ventilation and heat dissipation products and industry control accessories.
For further assistance, refer to the contact information provided by your point of purchase.